联系热线:+86-577-57570989
您好,欢迎来到温州市格富电子有限公司!
产品中心
Products Center

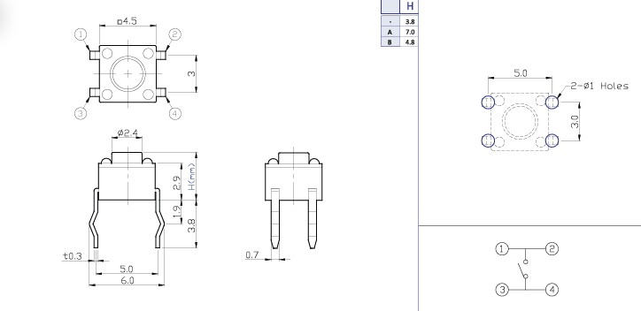
TS-1109
    发布时间: 2019-07-18 10:27    

FEATURES
Vertical & Horizontal pushing types|4.5*4.5*(H)mm with various Knob length

Applications
All kinds of electronic equipments such as car audio and home appliances | Digital Camera,Camcorders,Mobile Phones

TS-1109
Common Specifications