联系热线:+86-577-57570989
您好,欢迎来到温州市格富电子有限公司!
产品中心
Products Center

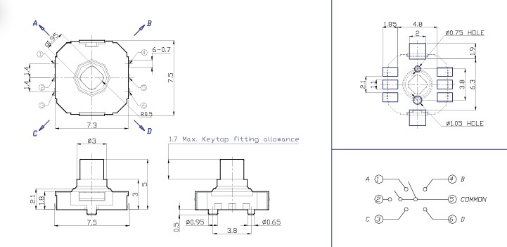
TS-1501
    发布时间: 2019-07-18 10:27    

FEATURES
Center push + 4 directional Tact|6.5*7.1*H(5.0mm)

Applications
All kinds of electronic equipments such as car audio and home appliances | Digital Camera,Camcorders,Mobile Phones

TS-1501
Common Specifications